²úÆ··ÖÀà
CIPÏ´åª×°±¸ÏµÁÐ
ÓÃ;¼°ÐÔÄÜ£º£º£º
CIPÏ´åªÏµÍ³Ë׳ƾ͵ØÏ´åªÏµÍ³±»ÆÕ±éµÄÓÃÓÚÖÆÒ©¡¢¡¢¡¢Ê³Îï¡¢¡¢¡¢ÒûÁÏ¡¢¡¢¡¢È鯷¡¢¡¢¡¢¹ûÖ¡¢¡¢¡¢¹û½¬¡¢¡¢¡¢¹û½´¡¢¡¢¡¢¾ÆÀàµÈ»úе»¯Ë®Æ½½Ï¸ßµÄÉú²úÆóÒµÖС£¡£¡£¾ÍµØÏ´åª¼ò³ÆCIP£¬ÓÖ³ÆÏ´åª¶¨Î»»ò¶¨Î»Ï´åª£¨cleaning in place£©¡£¡£¡£¾ÍµØÏ´åªÊÇÖ¸²»±Ø²ð¿ª»òÒÆ¶¯×°Ö㬼´½ÓÄɸßΡ¢¡¢¡¢¸ßŨ¶ÈµÄÏ´¾»Òº£¬¶Ô×°±¸×°ÖüÓÒÔÇ¿Á¦×÷Ó㬰ÑÓëÎïÁϵĽӴ¥ÃæÏ´¾»,¶ÔÎÀÉú¼¶±ðÒªÇó½ÏÑÏ¿áµÄÉú²ú×°±¸µÄϴ媡¢¡¢¡¢¾»»¯¡£¡£¡£
ÌØµã£º£º£º
1¡¢¡¢¡¢CIPÏ´åªÏµÍ³Äܰü¹ÜÒ»¶¨µÄÏ´åªÐ§¹û£¬Ìá¸ß²úÆ·µÄÇå¾²ÐÔ£»
2¡¢¡¢¡¢½ÚÔ¼²Ù×÷ʱ¼ä£¬Ìá¸ßЧÂÊ£»½ÚÔ¼ÀͶ¯Á¦£¬°ü¹Ü²Ù×÷Çå¾²£»
3¡¢¡¢¡¢½ÚԼˮ¡¢¡¢¡¢ÕôÆûµÈÄÜÔ´£¬ïÔÌÏ´µÓ¼ÁÓÃÁ¿£»
4¡¢¡¢¡¢Éú²ú×°±¸¿ÉʵÏÖ´óÐÍ»¯£¬×Ô¶¯»¯Ë®Æ½¸ß£»
5¡¢¡¢¡¢ÑÓÓÀÉú²ú×°±¸µÄʹÓÃÊÙÃü¡£¡£¡£
6¡¢¡¢¡¢È«×Ô¶¯CIPÏ´åªÏµÍ³£¬ÄܶÔÏ´åªÒº¾ÙÐÐ×Ô¶¯¼ì²â.¼ÓÒº.ÅÅ·Å.ÏÔʾÓëµ÷½â£¬¶ÔÆäÔËÐпɿ¿£¬×Ô¶¯»¯Ë®Æ½¸ß£¬²Ù×÷¼òÆÓ£¬Ï´åªÐ§¹ûºÃ£¬Òò¶ø¸üÇкÏÏÖ´ú´ó¹æÄ£Á÷ÌåÒ©Æ·¡¢¡¢¡¢Ê³Îï¼Ó¹¤¹¤ÒÕµÄÎÀÉúÒªÇó¼°Éú²úÇéÐÎÒªÇ󡣡£¡£
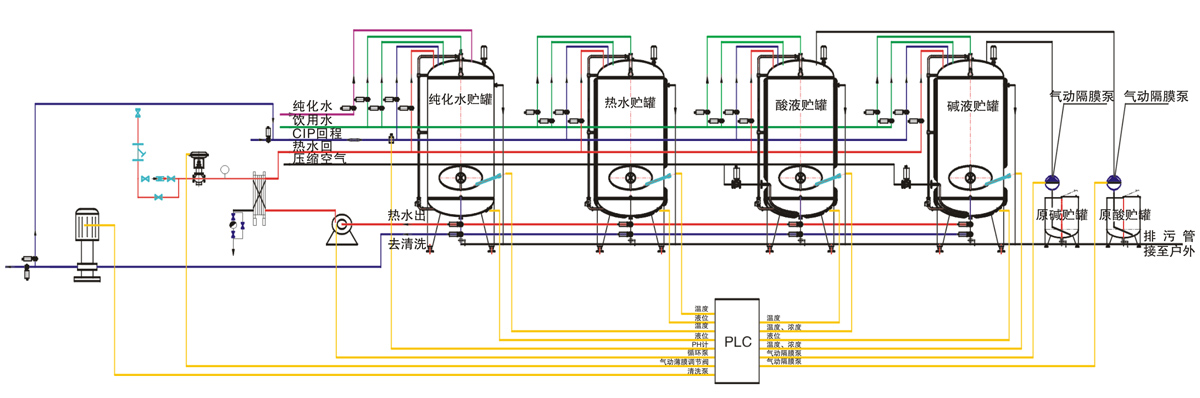
CIPÏ´åªÏµÍ³µÄ×é³É£º£º£º
ÇåË®¹Þ¡¢¡¢¡¢ÈÈË®¹Þ¡¢¡¢¡¢ËáÒº¹Þ¡¢¡¢¡¢¼îÒº¹Þ¡¢¡¢¡¢ÔËá¹Þ¡¢¡¢¡¢Ô¼î¹Þ¡¢¡¢¡¢°åʽ»»ÈÈÆ÷¡¢¡¢¡¢Ï´åª±Ã¡¢¡¢¡¢Ñ»·±Ã¡¢¡¢¡¢¹ýÂËÆ÷¡¢¡¢¡¢Æø¶¯¸ôĤ±Ã¡¢¡¢¡¢Ëá/¼îŨ¶È¼Æ¡¢¡¢¡¢PH¼Æ¡¢¡¢¡¢Ï½µµÍ¬½ÓÊÜ·ºÍµçÆø¿ØÖÆÏµÍ³¡£¡£¡£
ÖÖÀࣺ£º£º·ÖΪÊÖ¶¯ÐÍ¡¢¡¢¡¢°ë×Ô¶¯ÐͺÍ×Ô¶¯ÐÍ
¹æ¸ñÐͺż°Ö÷ÒªÊÖÒÕ²ÎÊý
| ²ÎÊý/¹æ¸ñÐͺŠ| CIP500 | CIP1000 | CIP1000 | CIP10000 |
| ÔËá¹ÞÈÝ»ý (L) | 50 | 80 | 100 | 200 |
| Ô¼î¹ÞÈÝ»ý (L) | 50 | 80 | 100 | 200 |
| ËáÒº¹ÞÈÝ»ý (L) | 500 | 1000 | 2000 | 10000 |
| ¼îÒº¹ÞÈÝ»ý (L) | 500 | 1000 | 2000 | 10000 |
| ÈÈË®¹ÞÈÝ»ý (L) | 500 | 1000 | 2000 | 10000 |
| ÇåË®¹ÞÈÝ»ý (L) | 500 | 1000 | 2000 | 10000 |
| Ñ»·±Ã (T/h) | 1.5 | 3.0 | 5.0 | 20.0 |
| ϴ媱à (T/h) | 3.0 | 5.0 | 10.0 | 20.0 |
| »»ÈÈÆ÷ (m2) | 3.0 | 5.0 | 7.0 | 15.0 |
ÒÔÉÏÐͺŽö¹©²Î¿¼£¬¿É°´Óû§ÒªÇó¾ÙÐÐ·Ç±ê¶¨ÖÆ

ÏúÊÛÈÈÏß
0577-8692-2388
´«Õ棺£º£º0577-86922389
ÓÊÏ䣺£º£ºsales@wenxiong.com
µØµã£º£º£ºÕã½Ê¡ÎÂÖÝÊÐÓÀÇ¿¸ßÐÂÊÖÒÕ¹¤ÒµÔ°Çø